Арт.: 021374

Профиль с экраном SL-LINIA62-F-2500 WHITE+OPAL (Arlight, Алюминий)

Распечатать
Поделиться
Общие характеристики
Тип товара
Профиль
Назначение
Для прямоугольных светильников
Форма (сечение)
С фланцем
Цвет покрытия
Белый
Материал корпуса
Алюминий
Индивидуальная покраска
Не выполняется
Гарантийный срок
3 год(а)
Модельный ряд
SL-LINIA
Состав комплекта
Профиль, экран, 2 заглушки
Способ монтажа
Встраиваемый с накладным фланцем
13 23231

В наличии

Коробка (картон) 1 компл — 13 23231
Коробка (картон) 1 компл 13 23231
Способы получения заказа Способы получения заказа Доставка по Санкт-Петербургу Самовывоз
Описание
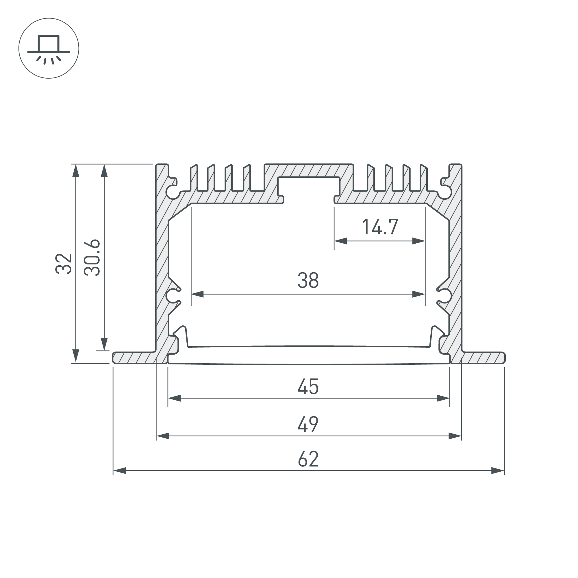
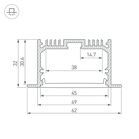
Встраиваемый профиль белого цвета с накладным фланцем из алюминия в комплекте с матовым рассеивателем со светопропусканием 67% и заглушками идеально подходит для основного освещения и контурной подсветки. Габаритные размеры профиля составляют 2500 мм в длину, 62 мм в ширину и 32 мм в высоту. Площадка для установки светодиодных лент позволяет использовать ленту шириной до 38 мм и мощностью до 46,4 Вт/м. Это обеспечивает гибкость в выборе светодиодных лент и создает потрясающие световые решения. Прочие аксессуары не включены в комплект и приобретаются отдельно. Цена указана за комплект. Отличное решение для создания современных световых проектов.
Характеристики
Комплект с экраном. Алюминиевый профиль для светодиодных лент и линеек. Цвет - белый RAL9003 (порошковая окраска). Габаритные размеры (L×W×H): 2500x62x32 мм, паз для установки 49 мм. Ширина площадки для ленты 38 мм. Аксессуары приобретаются отдельно. Цена за комплект: профиль - 2,5 м, экран - 2,5 м, глухая заглушка - 2 шт.
Общие
Артикул
021374
Тип товара
Профиль
Назначение
Для прямоугольных светильников
Форма (сечение)
С фланцем
Цвет покрытия
Белый
Материал корпуса
Алюминий
Индивидуальная покраска
Не выполняется
Гарантийный срок
3 год(а)
Модельный ряд
SL-LINIA
Состав комплекта
Профиль, экран, 2 заглушки
Способ монтажа
Встраиваемый с накладным фланцем
Светотехнические
КПД профиля (cветовой)
94 %
Светопропускание
67 %
Эксплуатационные
Внешний вид поверхности
Матовая
Покрытие поверхности
Порошковая окраска
Ширина световой линии
45 мм
Рассеиваемая тепловая мощность на 1м
max: 46.4 W
Габариты
Длина
2500 мм
Ширина
62 мм
Высота
32 мм
Ширина площадки
38 мм
Глубина установки источника света
23.53 мм
Другие
Кратность цены за 1 м/шт
0.4
Модели серии (15)
Страница серии
Item 1 of 15